Pembuatan Controller VESC Benjamin Vedder



Pendahuluan
Pada tahap awal perancangan, kami mengidentifikasi beberapa permasalahan terkait controller motor listrik. Salah satu tantangan utama yang kami temui adalah banyaknya controller yang tidak berbasis BLDC 3 phase. Setelah melakukan pencarian panjang, kami menemukan solusi yang tepat, yaitu menggunakan controller open-source Benjamin Vedder, atau yang lebih dikenal sebagai VESC.
Perancangan Schematic Controller
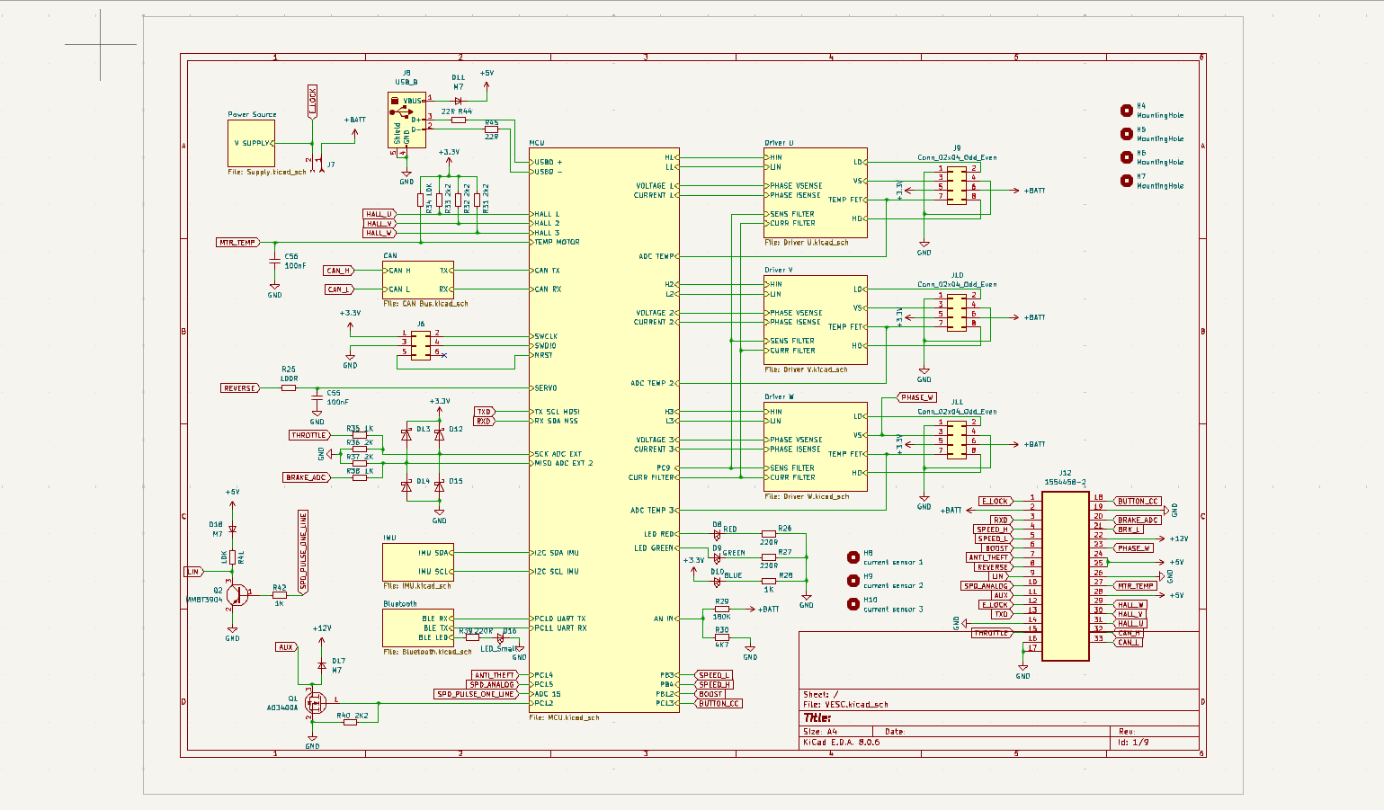
Perancangan schematic controller dilakukan menggunakan software KiCad. Kami mengacu pada desain dasar VESC Vedder Controller dan melakukan berbagai modifikasi serta penyesuaian berdasarkan hasil riset dan diskusi di forum VESC Internasional. Setelah berhasil merancang schematic, kami melakukan simulasi circuit controller menggunakan software KiCad untuk memastikan jalur sirkuit sesuai dengan spesifikasi yang dibutuhkan.
Selama proses simulasi, kami menghadapi beberapa kendala, salah satunya adalah perbedaan tegangan antara IC MOSFET dan kapasitor yang digunakan. Setelah berdiskusi lebih lanjut dengan komunitas, kami menemukan solusi dan melakukan perbaikan pada desain.
Perancangan PCB Layout
Setelah schematic controller dikonfirmasi bekerja dengan baik, kami mulai merancang PCB layout. PCB ini terdiri dari dua layer utama:
Layer High VoltageLayer ini berisi komponen tegangan tinggi, seperti:
Busbar plus dan minus: Terhubung langsung dengan sumber tegangan dan terminal positif-negatif yang akan disuplai oleh sumber daya.
IC MOSFET: Kami menggunakan MOSFET 100V dengan arus 380A yang diparalel sebanyak tiga unit. Setiap grup MOSFET dapat menangani hingga 1140A pada kondisi ideal (suhu 25°C). Namun, dalam pengujian nyata, arus efektif yang bisa digunakan sekitar 570A.
Terminal U, V, W: Setiap terminal ini memiliki basis tegangan sebesar 100V dan arus hingga 1140A.
Gate Driver: Berfungsi untuk mengontrol sinyal PWM dan mengendalikan MOSFET. Gate driver ini terhubung langsung dengan Layer Low Voltage.
Layer Low VoltageLayer ini terdiri dari berbagai IC yang bekerja pada rentang tegangan 3V - 12V. Beberapa komponen utama di layer ini adalah:
Regulator Tegangan:
Regulator pertama menurunkan tegangan dari 72V ke 12-14,3V untuk menyuplai gate driver dan sensor arus.
Regulator kedua menurunkan tegangan ke 5V.
Regulator terakhir menurunkan tegangan menjadi 3.3V.
IC STM32: Berfungsi sebagai modul firmware controller.
ESP32: Digunakan untuk koneksi Bluetooth.
Port Koneksi: Terdiri dari berbagai socket, seperti:
Hall sensor
E-lock
Throttle
CAN BUS
UART
IO lainnya
Port Upload Firmware: Disediakan khusus untuk pengiriman kode program.
Kesimpulan
Dari hasil perancangan hingga tahap realisasi, kami dapat menyimpulkan bahwa controller yang kami rancang sesuai dengan ekspektasi dan dapat digunakan dengan baik. Desain PCB yang telah dirancang di awal terbukti sama dengan produk controller yang telah direalisasikan. Dengan menggunakan VESC Benjamin Vedder sebagai basis, kami berhasil menciptakan controller motor listrik BLDC 3 phase yang efisien dan dapat digunakan untuk berbagai aplikasi.